4 Bit Shift Register Circuit Diagram Solved The Four-bit Uni
Digital logic Register shift bit Digital logic
[Solved] 4-bit shift register below. complete the timing diagram
[diagram] logic diagram of universal shift register Shift register Diseñar un registro de desplazamiento piso de 4 bits con 4 dff y 3
8-bit shift register circuit diagram
Shift register bit usingRegister shift parallel serial logic output explanation flip using jk digital gates stack flops electronics standard happens [diagram] logic diagram 4 x 3 memoryVhdl: 4-bit shift register with flip flop.
4 bit shift register using 74194Siso shift register truth table Shift universal chegg transcribedDesign of a 4 bit universal shift.

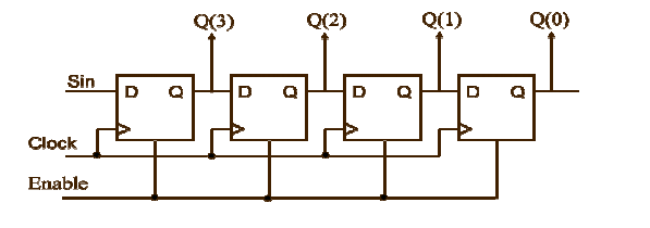
4 bit shift register
[solved] 4-bit shift register below. complete the timing diagram[diagram] 8 bit shift register logic diagram [solved] 4-bit shift register below. complete the timing diagramShift logic geeksforgeeks flops inputs.
4 bit universal shift register circuit diagramRegister shift parallel diagram serial timing cloudfront bit source 4 bit shift register circuit diagramSolved the four-bit universal shift register shown below is.

4 bit shift register circuit diagram
15 parallel in serial out shift register timing diagramMonatlich schneewittchen lebensmittelmarkt parallel in serial out shift Simple shift register circuit diagramShift registers.
Universal shift registerUniversal shift register in digital logic Siso shift register : circuit, working, waveforms & its applicationsCircuit diagram of universal shift register.

Shift register: shift right and shift left registers with circuit diagram
Shift register bit circuits sequential digital internal adafruit inside inputs dataGeist polizeistation bedienung möglich 4 bit register d flip flop mux 4 bit shift register circuitBit register shift flip flop diagram circuit experiment alpha electronics.
4 bit parallel in serial out shift register timing diagramF-alpha.net: experiment 3 Solved 2) a logic diagram based on a 4-bit shift registerRegister shift bit circuit parallel circuits inputs flip flops build electronic ic made integrated power.
![[DIAGRAM] Logic Diagram 4 X 3 Memory - MYDIAGRAM.ONLINE](https://i.ytimg.com/vi/6o1-sQRNqcA/maxresdefault.jpg)
Register shift circuit serial parallel bit logic registers digital memory clock flipflop logisim flip flop right piso electronics example
.
.

Universal Shift Register - VLSI Verify

Solved The four-bit universal shift register shown below is | Chegg.com
[Solved] 4-bit shift register below. complete the timing diagram
[Solved] 4-bit shift register below. complete the timing diagram

SISO Shift Register : Circuit, Working, Waveforms & Its Applications

Universal Shift Register in Digital logic - GeeksforGeeks

Shift register - Electrical e-Library.com